Listwa uziemiająca SC/RLFZ-M (x4), 38071.100
Zapytaj o produkt
Zapytaj o produkt
| Producent | ICOTEK |
| Kod producenta | 38071.100 |
| Typ | SC/RLFZ-M |
| Typ produktu | Listwa uziemiająca na szynę typu C |
| Materiał | Stal sprężynowa ocynkowana, Stal ocynkowana galwanicznie |
| Sposób montażu | Szyna typu C |
| Maksymalna liczba kabli | 4 |
| Liczba klamer uziemiających | 4 |
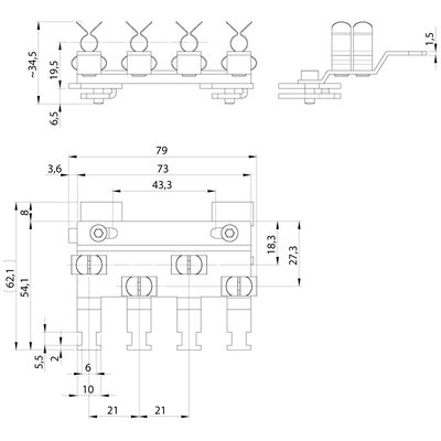
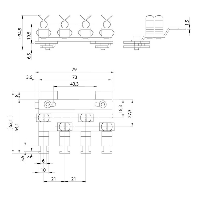
| Długość [mm] | 73 |
| Szerokość [mm] | 54,1 |
| Głębokość [mm] | 16,2 |
| Certyfikat RoHS Certyfikat RoHS potwierdza zgodność produktu z dyrektywą Unii Europejskiej, ograniczającą obecność szkodliwych substancji w produktach elektrycznych i elektronicznych, takich jak ołów, kadm, rtęć, sześciowartościowy chrom (Cr) 6+, PBB, PBDE. Zapewnia, że produkty są bezpieczne dla użytkowników i środowiska. | Tak |
| Ilość sztuk w opakowaniu | 1 |
| Jednostka sprzedażowa | Sztuki |
Listwa uziemiająca SC/RLFZ-M (x4), model 38071.100.
Materiał: stal, sposób montażu: na szynę typu C, wymiary: 73x54,1x16,2 mm, przeznaczona do uziemiania 4 kabli. Listwa jest stosowana wszędzie tam, gdzie ekrany kabli muszą być uziemione. Jest łatwa w użyciu i skuteczna w uziemieniu wielu kabli na małej przestrzeni. Zaciski ekranujące są montowane bezpośrednio na powierzchni listwy, co gwarantuje ich szczelne dopasowanie. W przypadku stosowania typów ze zintegrowanym odciążeniem kable mogą być mocowane za pomocą opasek kablowych przez płaszcz kabla. W ten sposób uzyskuje się odciążenie zgodnie z normą EN 62444.
Zalety:
- Duża powierzchnia styku
- Oddzielony styk ekranujący i odciążenie
- Odporność na wibracje
- Konstrukcja sprężynowa nie wymaga regulacji i trwale utrzymuje kontakt z ekranem kabla
- Łatwy montaż i demontaż
Dla wybranych produktów oferujemy możliwość uzyskania plików 3D, które mogą być pomocne w projektowaniu i planowaniu.
Jeśli potrzebujesz modelu 3D dla tego produktu, napisz do nas korzystając z formularza dostępnego w sekcji Zapytaj o produkt --> Napisz wiadomość
Po otrzymaniu zgłoszenia nasz zespół prześle plik na podany adres e-mail.
Jeśli masz dodatkowe pytania, skontaktuj się z nami – chętnie pomożemy!
